| 型号 | QX5252F |
| 输入电压 | 0.9~1.5V |
| 输出电流 | 300MA |
| 光控阀值 | 0.3V |
| 效率 | ≤84% |
| 特征 | 光控,电池 0.9V欠压保护 |
| 封装形式 | TO-94 |
| 备注 | 单节镍氢、干电池驱动的太阳能草坪灯,QX5252带过放保护/不带过充 |
QX5252是一款专为太阳能LED草坪灯设计的专用集成电路
QX5252仅需一个外接电感即可组成太阳能照明装置。
QX5252由开关型驱动电路、光控开关电路、过放保护电路、内部集成的肖特基二极管等电路组成。
QX5252采用专利技术,使得欠压关断时LED灯无闪烁。
QX5252工作电压为0.9V到1.5V,适合单节AA电池或是单节镍氢电池供电。
QX5252采用TO-94封装,外围不需要光敏电阻和普通电阻。
太阳能草坪灯
太阳能景观灯

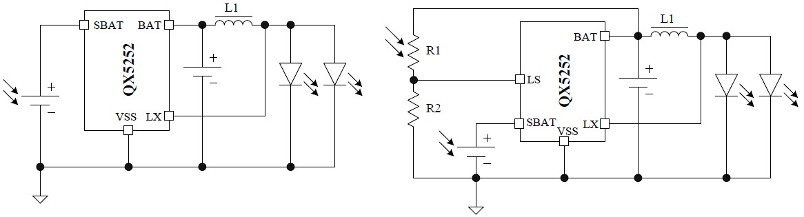
应用电路图:

电话:0755-27821116、18923798399 公司地址:深圳市福田区福田街道福南社区深南中路3037号南光捷佳大厦2018
版权所有 © 深圳市诚创信科技有限公司 All Right Reserved 粤ICP备2024282044号